
扫描二维码,使用手机查看。
五.试验前准备
根据相关规程或制造次行家的规定值确定试验电压,并根据试验电压和所试电缆的电容及长度选择合适的电源设备,测量仪表和保护电阻。如试验电压较高,则推荐采用串联谐振以降低试验电源的容量,试验前应根据相关数据计算电抗器、变压器的参数,以保证谐振回路能够匹配以达到所需的试验电压和电流。
试验前先进行主绝缘电阻和交叉互联、外护套的试验,各项试验合格后在进行本项试验。
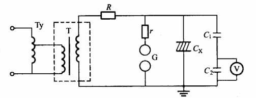
六、接线原理图
1.工频耐压试验接线图

Ty—调压器;T—试验变压器;R—限流电阻;r—球隙保护电阻;
G—球间隙;Cx—被试品;C1、C2—电容分压器;V—电压表

左图——工频 串联谐振耐压试验接线图;右图——变频串联谐振耐压试验接线图
七.试验方法
1.检查试验电源、调压器和试验变压器正常。按接线图准备试验,保证所有试验设备、仪表仪器接线正确、指示正确。
2.一切设备仪表接好后,在空载条件下调整保护间隙,其放电电压为试验电压的110%一120%范围内(如采用串联谐振,需要另外的变压器调整保护间隙)。并调整试验电压在高于试验电压5%下维持2 min后将电压降至零,拉开电源。
3.经过限流电阻R在高压侧短路,调整过流保护跳闸的可靠性。
4.电压和电流保护调试检查无误,各种仪表接线正确后,即可将高压引线接到被试绕组上进行试验。
5.升压必须从零开始,升压速度在40%试验电压以内可不受限制,其后应均匀升压,速度约每秒3%的试验电压。升至试验电压后维持规程所规定时间。
6.将电压降至零,拉开电源,该试验结束。
八.试验结果判断依据
如果试验中未发生击穿放电现象,则认为试验通过。
九.注意事项
1.试验前应明确耐压值按制造厂的规定还是按规程规定。
2.电缆交流耐压时间较长,试验期间应注意试验电流的变化,试验前后应测量主绝缘的绝缘电阻