
扫描二维码,使用手机查看。
绝缘电阻测试仪(又称绝缘电阻表)整机电路设计采用微机技术为核心,以大规模集成电路和数字电路相结合,配有强大的测量和数据处理软件,完成绝缘电阻、电压等参数的测量,是对绝缘材料的绝缘电阻进行测量的选择设备。
绝缘电阻表是通过用一个电压激励被测装置或网络,然后测量激励所产生的电流,利用欧姆定律测量出电阻。对于绝缘测试来说,需要测量的电阻值范围很大,其上限可达到10 tω,所需的电压更高。由于绝缘电阻的阻值大,必须有较高的电压才能得到足够的灵敏度,因此绝缘电阻表中配有一台手摇发电机,它是随着绝缘电阻表的量程而配比的发电机,量程越高,配用发电机的发生电压越高,配用的发电机从500~2500V,额定转速为120r/min。
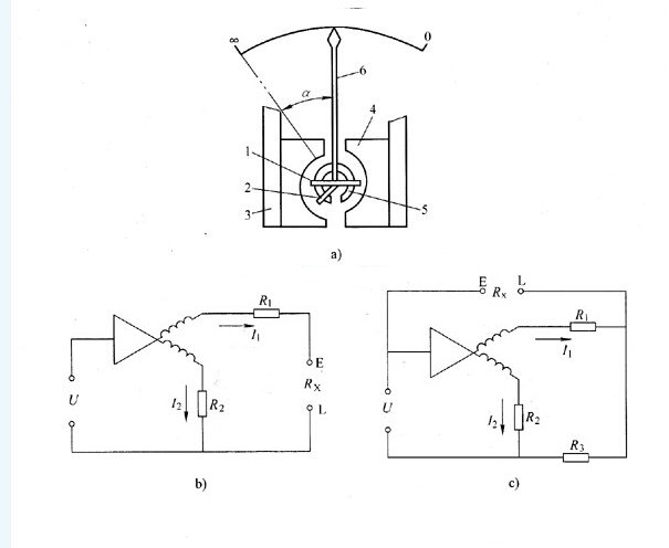
绝缘电阻表的测量机构如图1所示,它与磁电系仪表相似,但它有两个线圈,两个线圈呈一定角度固定到轴上,固定部分为永久磁铁。绝缘电阻表中设有游丝,电流由无反作用力矩的导流丝引入,线圈中的环形铁心有缺口,并且铁心和永久磁铁磁极之间的气隙不均匀。因此气隙中的磁场不均匀,线圈转动在不同位置所产生的力矩不同,从而使指针的偏转角与两线圈中的电流比率成正比,因此把这种测量机构称为比率计。

图1 绝缘电阻表的测试原理
a)测量机构 b)串联电路 c)并联电路
1、2一线圈 3一永久磁铁4一极掌 5—环形铁心 6一指针
利用比率计制成的绝缘电阻表,基本原理图如1b、c所示,被测电阻接在E、L(Rx两端)处,U为手摇发电机的产生电压,流过可动线圈一个线圈的电流为I1,流过可动线圈另一个线圈的电流为I2,α为偏转转角,则对于串联和并联电路均存在α=f(Rx),且偏转角α与U和I无关,只和R×的大小有关,这就是绝缘电阻表的测量电路原理。
